



Eindprofiel Walnoot 290cm
Prijsklasse: € 29,90 tot € 39,90
Afwerking Composiet Gevelbekleding nodig? Met onze Eindprofielen kan je jouw Composiet Gevelbekleding strak en professioneel afwerken. Plaats de Eindprofielen aan de uiteinden van je gevelbekleding voor een mooi eindresultaat. Onze Eindprofielen beschikken over dezelfde breedte van de lat als onze Composiet Gevelbekleding (smal rhombus-profiel) waardoor er een naadloze afwerking ontstaat.
Levertijd: 2 tot 5 werkdagen
Dit artikel wordt niet los verkocht.
- UV-/weersbestendig & kleurvast
- Co-extrusion beschermlaag?
- Passend bij onze composiet gevelbekleding
De Eindprofielen voor Composiet Gevelbekleding van Buitenpaneel kunnen niet ontbreken bij jouw tuinproject! De Eindprofielen zijn zo ontworpen dat ze gemakkelijk en naadloos op het uiteinde van de kunststof panelen kunnen worden aangebracht. Zo krijgt het zijaanzicht net als de Buitenpanelen een strakke houten look waarmee er een perfecte afwerking wordt gecreëerd! Alleen te gebruiken bij plaatsing op rachelwerk.
Hoe te monteren:
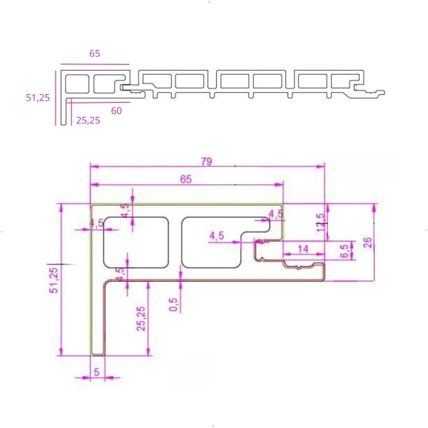
| Lat breedte | Smal, Breed |
|---|---|
| Afmetingen | Zie productafbeelding (detailtekening) |
Je moet ingelogd zijn om een beoordeling te plaatsen.
Bekijk deze uitlegvideo van onze afwerkprofielen:
Benieuwd naar hoe onze Eindprofielen worden gemonteerd? Lees hieronder meer!
Onze Eindprofielen kunnen aan de uiteindes van je Buitenpanelen worden geplaatst. Hiermee creëer je een strakke afwerking waarmee je meteen het rachelwerk verbergt!
- Bepaal waar het Eindprofiel moet komen. Begin altijd eerst met het monteren van het Eindprofiel aan de Montagebalken voordat je begint met het monteren van de Buitenpanelen. Schroef het Eindprofiel door de inkeping vast aan iedere Montagebalk (om de 30cm) zodat deze goed zit bevestigd.
- Nadat het Eindprofiel is gemonteerd kan je beginnen met het monteren van de Buitenpanelen zoals staat omschreven in onze Montagehandleiding.
- In het geval je aan beide zeiden van dezelfde wand een Eindprofiel wil monteren moet je gebruikmaken van een Verbindingsprofiel. Door deze tussen onze Buitenpanelen te plaatsen (zie Montagehandleiding voor verdere toelichting) kan je de mes-groef richting veranderen waardoor je ook voor het tweede Eindprofiel goed uitkomt!
Bekijk onze Montagehandleiding voor uitgebreidere stappen en een visuele toelichting!











Beoordelingen
Er zijn nog geen beoordelingen.